TEL電子キット 谷岡電子(有)
  Tanioka Electronics Company Co.,Ltd.

4x1(4列1行)キーパッドを使った
315メガ帯RFリモコン送信機 品番RF-0299L-TX-RT

315メガ帯RFリモコン送信機 品番RF-0299L-TX-RT
  概要

 本機は、 無線リモコン送信部(RF-0299L-TX)と4x1(4列1行)キーパッド(ACC-0324KEY-4x1-TX)からなる315メガ帯RFリモコン送信機(品番RF-0299L-TX-RT)です。本機と315メガ帯RFリモコン受信機(品番RF-0299-RX-RR)とペア―で使うことによって、さまざまな機器の遠隔操作、特に交流のON/OFFが簡単で確実に実現できます。
 無線リモコン送信部に関する詳しい内容は、無線リモコン送信部(RF-0299L-TX)説明書等を参照してください。
 4x1キーパッド(品番ACC-0324KEY-4x1-TX)は4列1行のタクトスイッチの配列プリント基板です。スイッチには二つの動作があります。スイッチが押されるごとに受信機のリレーがON/OFFを繰り返すトグルモードと、1秒,2秒,4秒のパルスモードがあります。例えば、1秒のパルスモードの場合、スイッチが押されるごとに約1秒間受信機のリレーが励起(ON)されます。
 受信機の出力リレーは1個ですから、トグルモードとパルスモードは独立していません。例えば、トグルモードでリレーをONにした状態で1秒のパルスモードスイッチを押すと、約1秒後にリレーはOFFになります。トグルモードとパルスモードは用途別に使用してください。

    主な規格
  1. 電源電圧   3V±5%、単三2本
  2. 消費電流   約30μA(0.03mA)スタンドバイ時
           約1.3mA(スイッチを押した時)

315メガ帯RFリモコン送信機 品番RF-0299L-TX-RT
使い方

RF-0299L-TX-RT.png

 無線リモコン送信部(RF-0299L-TX)に4x1キーパッドを差し込むみ3Vの電池をつなぐとすぐ動作します。スイッチを押すとLED が短時間点灯します。電池は、単三あるいは単四形が使えます。キットには、単三電池ボックスが入っています。電池は付属していません。

4x1(4列1行)キーパッドの各スイッチの機能
スイッチ番号 名称 機能
SW1 ON/OFF トグルモード: 押すごとに受信側リレーがON/OFFします。(注1)
SW2 1秒パルス パルスモード: 押すごとに受信側リレーが約1秒ONになります。
SW3 2秒パルス パルスモード: 押すごとに受信側リレーが約2秒ONになります。
SW4 4秒パルス パルスモード: 押すごとに受信側リレーが約4秒ONになります。
(注1)  受信側出力リレーは1個ですから、トグルモードとパルスモードは独立していません。例えば、トグルモードでリレーをONにした状態で1秒のパルスモードスイッチを押すと、約1秒後にリレーはOFFになります。トグルモードとパルスモードは用途別に使用してください。

315メガ帯RFリモコン送信機 RF-0299L-TX-RT の組み立て例

rf_0299l_tx_rt_1.JPG

送信側の電源に単三形2個使いましたが、単四形でもOKです。 電池はキットには入っていません。アンテナの配線はされていません。

315メガ帯RFリモコン送信機 RF-0299L-TX-RT と受信機 RF-0299-RX-RR のペア―の組み立て例

rf_0299l_tx_rt_2.JPG

リレー出力の配線、アンテナの配線はされていません。受信機側の電源に5VスイッチングACアダプターを使っています。アダプターはキットには入っていません。

315メガ帯RFリモコン送信機(品番RF-0299L-TX-RT) モジュールキットの内容
品名 品番 個数 特記
4x1キーパッド ACC-0324KEY-4x1-TX 1個 モジュール完成品
無線リモコン送信部 RF-0299L-TX 1個 モジュール完成品
単三電池ボックス 3X2 3V用 1個 3Pピンソケット付き
説明書 1部

電磁リレードライブ回路モジュール(ACC-0325-RX)を使った
315メガ帯RFリモコン受信機 品番RF-0299-RX-RR

315メガ帯RFリモコン受信機 品番RF-0299-RX-RR
  概要

  本機は、無線リモコン受信部(RF-0299-RX)と電磁リレードライブ回路モジュール(ACC-0325-RX)を接続して使うことによって、さまざまな機器の遠隔操作、特に交流のON/OFFを簡単で確実に実現できます。本機は、315メガ帯RFリモコン送信機(RF-0299L-TX-RT)とペア―で使ってください。無線リモコン受信部に関する詳しい内容は、無線リモコン受信部(RF-0299-RX)説明書等を参照してください。
 電磁リレードライブ回路モジュールは、無線リモコン受信部の出力コネクターに接続します。本モジュールの電源は、受信部モジュールから供給されますので別途電源を準備する必要はありません。 入力データはマイコン(PIC12F1571)で読み込まれ、電磁リレーを駆動します。電磁リレー出力は、送信側のスイッチが押されるごとにON/OFFを繰り返すトグルモードと、1秒,2秒,4秒のパルスモードがあります。例えば、1秒のパルスモードの場合、送信側のスイッチが押されるごとに約1秒間リレーが励起(ON)されます。リレーが励起されるとLEDが点灯し、圧電ブザーが鳴ります。
 本機の出力リレーは1個ですから、トグルモードとパルスモードは独立していません。例えば、トグルモードでリレーをONにした状態で1秒のパルスモードスイッチを押すと、約1秒後にリレーはOFFになります。トグルモードとパルスモードは用途別に使用してください。

    主な規格
  1. 電源電圧           5V±10%、安定化されたもの
  2. 消費電流           約13mA(電磁リレーOFFのとき)
                   約55mA(電磁リレーONのとき)
  3. 出力電磁リレーの容量     最大1A(100VAC 交流100Wまで)
                   最大2A(30VDC 直流)

315メガ帯RFリモコン受信機 品番RF-0299-RX-RR
使い方

RF-0299-RX-RR.png

 5V電源(100mA以上)を用意し、3Pのピンソケットを使って無線リモコン受信部のCN4 に接続します。電源には5VスイッチングACアダプター又は弊社三端子電源キットJPS-0161+5Vなどを使います。電池は本機の消費電流が大きいので使えません。5VスイッチングACアダプターは(株)秋月電子通商で入手可能です。電源は別売です。そのほかの無線リモコン受信部に関する詳しい内容は、無線リモコン受信部(RF-0299-RX)説明書等を参照してください。
 電源を入れると直ちに受信状態になり、315メガ帯RFリモコン送信機との通信が可能になります。
315メガ帯RFリモコン受信機(RF-0299-RX-RR)は、315メガ帯RFリモコン送信機(RF-0299L-TX-RT)とペア―で使ってください。
 [315メガ帯RFリモコン送信機(RF-0299L-TX-RT)は、無線リモコン送信部(RF-0299L-TX) プラス 4x1(4列1行)キーパッド(ACC-0322KEY-4x1-TX)からなり、キーパッドのスイッチを押すことによって通信が始まります。4x1(4列1行)キーパッドの各スイッチの機能を下表に示します]。

送信側4x1(4列1行)キーパッドの各スイッチの機能
スイッチ番号 名称 機能
SW1 ON/OFF トグルモード: 押すごとに受信側リレーがON/OFFします。(注1)
SW2 1秒パルス パルスモード: 押すごとに受信側リレーが約1秒ONになります。
SW3 2秒パルス パルスモード: 押すごとに受信側リレーが約2秒ONになります。
SW4 4秒パルス パルスモード: 押すごとに受信側リレーが約4秒ONになります。
(注1)  受信側出力リレーは1個ですから、トグルモードとパルスモードは独立していません。例えば、トグルモードでリレーをONにした状態で1秒のパルスモードスイッチを押すと、約1秒後にリレーはOFFになります。トグルモードとパルスモードは用途別に使用してください。

315メガ帯RFリモコン受信機(RF-0299-RX-RR) の組み立て例

rf_0299_rx_rr_1.JPG

電源に5VスイッチングACアダプターを使った組み立て例

315メガ帯RFリモコン送信機 RF-0299L-TX-RT と受信機 RF-0299-RX-RR のペア―の組み立て例

rf_0299l_tx_rt_2.JPG

リレー出力の配線、アンテナの配線はされていません。受信機側の電源に5VスイッチングACアダプターを使っています。アダプター、電池等はキットには入っていません。送信側の電源に単三形2個使いましたが、単四形でもOKです。

315メガ帯RFリモコン受信機 品番RF-0299-RX-RR モジュールキットの内容
品名 品番 個数 特記
電磁リレードライブ回路モジュール ACC-0325-RX 1個 モジュール完成品
無線リモコン受信部 RF-0299-RX 1個 モジュール完成品
ピンソケット 3P 1個 赤、黒リード線付(約15cm長)
説明書 1部

無線リモートコントローラ(ラジコン)送信部
315メガ帯無線によるリモコン送信部 品番RF-0299L-TX

概要
 本キットは、PIC8ビットマイコン 16LF1826を使用した無線リモート コントローラ(ラジコン)送信部(品番RF-0299L-TX) (完成品)です。
  無線リモートコントローラ(ラジコン)受信部 (品番RF-0299-RX)と組み合わせて、315メガ帯での無線による リモコン制御ができます。
 キーパットマトリックススイッチ、 品番ACC-0295-KEY4x4は別売です。
 本キットのCソースファイルリストが説明書に添付されています。

    機能と特長
  1. 消費電力が極めて小さい。約28μA@3V(スリープ時)   スイッチが押されたとき約1-2mA@3V
  2. 小型でローコスト
  3. 16個のキースイッチを使って最大26種類のキーコード(5ビット) を送信。
  4. 16個のキースイッチ中、二度押しスイッチが4個、 四度押しスイッチが2個、単発スイッチが10個ある。
  5. デバイスコードは、4ビットDIPスイッチを使って14個のデバイス を設定できる。
  6. 通信可能距離は直線で約50m
  7. 動作電源電圧は2.2V-3.3V (単三電池2個、5V電源不可)

 無線リモートコントローラ送信部RF-0299L-TXと キーパットACC-0295-KEY4x4(別売)を接続したところ。 rf_0299l_tx_2.jpg

無線リモートコントローラ(ラジコン)受信部
315メガ帯無線によるリモコン受信部 品番RF-0299-RX

概要
 本キットは、PIC 8ビットマイコン16F1826を使用した無線リモートコントローラ (ラジコン)受信部(品番RF-0299-RX)(完成品)です。
 無線リモートコントローラ(ラジコン) 送信部(品番RF-0299L-TX)と組み合わせて、315メガ帯での無線リモコン制御 ができます。
 本機は送信側キースイッチ対応したキーコードを16進で出力します。
 また、本機の出力に10進変換アダプター(品番HtoD-0297) を接続すれば16進出力が10進に変換され、出力信号も 保持されるので、種々の機器の制御が簡単になります。
 本キットのCソースファイルリストが説明書に添付されています。

    機能と特長
  1. 消費電力が小さい。約2.5mA@5V
  2. 小型でローコスト
  3. 16個のキースイッチを使って最大26種類のキーコード(5ビット)を受信。
  4. 16個のキースイッチ中、二度押しスイッチが4個、四度押しスイッチが2個、 単発スイッチが10個ある。
  5. デバイスコードは、4ビットDIPスイッチを使って最大14個のデバイス を設定できる。
  6. 通信可能距離は直線で約50m
  7. 動作電源電圧は4.0V-5.0V

 無線リモートコントローラ受信部RF-0299-RXと 十進変換アダプターHtoD-0297(別売)を接続したところ。
 LED D5が点灯し、無線リモコン送信側の2回押しスイッチ1 が押されたことがわかります。また、デバイスコードは"110” と設定されています。 rf_0299_rx_2.jpg

十進変換アダプター
16進を10進に変換しLEDで表示 品番HtoD-0297

概要
 本キットは、8ビットマイコンPIC16F1937を使用した 10進変換アダプター(品番HtoD-0297)です。
 本機は次のキットの出力に接続して使います。
 @無線リモートコントローラ受信部 (品番IR-0299-RX)
 A表示なし赤外線リモートコントローラ受信部 (品番IR-0298-RX)
 BLCD表示付赤外線リモートコントローラ受信部 (品番IR-0294-RX)
 上記キットの出力は16進です。本キットアダプターを 接続することによって10進に変換されるので、種々の機器の制御 が楽になります。
 表示は3ビットデバイスコードを3個のLEDに(二進)、 5ビットのキーコードを26個のLEDに十進で表示します。 ただし、LED表示なので、消費電流が大きくなること、プリント 基板のサイズもおおきくなります。
 本キットのCソースファイルリストが説明書に添付されています。

    動作
  1. 受信機側のコネクターCN1,CN2と本機のCN1,CN2を差し込む。
  2. 受信機側のリセットスイッチRESET(SW1)を押す。
  3. 本機の電源は受信機側から供給される(4V−5V)。 本機に必要な電流は40mA以上。
  4. 電源が入って数秒後に本機はリセットされデフォルト値(後述) が表示される。
  5. 1バイトの入力をポーリングで読み込み、上位3ビット デバイスコードを3個のLEDで表示(負論理)する。 下位5ビットキーコードは十進に変換され26個のLEDに 表示され、同時にコネクターCN4,5,6,7に負論理で出力される。 負論理は0の時LEDが点灯する。
  6. 入力データに変化があればブザー信号(約5Khz)が短時間 (約16mS)出力される。
  7. 本機をリセットするには受信側のリセットスイッチを押すか 受信側の電源を切る。
十進変換アダプター HtoD-0297
定価 1キット完成品 ¥3,500(外税)

中級者向きキット

 十進変換アダプターHtoD-0297と 赤外線リモートコントローラ受信部IR-0298-RX(別売)を 接続したところ。
 LED D5が点灯し、赤外線リモコン送信側の2回押しスイッチ1 が押されたことがわかります。また、デバイスコードは"110” と設定されています。 htod_0297_2.jpg

4x4キーパットマトリックススイッチ
品番ACC-0295-key4x4

概要
 キーパッド(品番ACC-0295-KEY4X4)は4ビットx4ビットマトリックス タイプのスイッチで構成され、全部で16個のプッシュボタン(タクト)スイッチから成っています。本機は下記するキットのキーパットとして使用します。

  1. 無線リモートコントローラ(ラジコン)送信部 (品番RF-0299L-TX)
  2. 赤外線リモートコントローラ送信部 (品番IR-0298L-TX)
  3. LCD表示付赤外線リモートコントローラ送信部 (品番IR-0294L-TX)
  4. LCD表示付赤外線リモートコントローラ受信部 (品番IR-0294-RX)

 キーパットマトリックススイッチACC-0295-key4x4と 無線リモートコントローラ送信部RF-0299L-TX(別売)を接続したところ。 acc_0295_key_2.jpg

4x1キーパットマトリックススイッチ
品番ACC-0324-KEY-4x1-RT

rf_0299l_tx_rt.jpg

無線リモコン送信部と4x1キーパットを接続したところ。

IR-0298L-TX-RT_D2.jpg

赤外線リモコン送信部と4x1キーパットを接続したところ。

概要
 4x1キーパッド品番ACC-0324-KEY-4x1-RTは、4ビットx1ビットマトリックス タイプのスイッチで、4個のタクトスイッチで構成されています。本機は下記するキットのキーパットとして使用しています。

  1. 無線リモコン送信部 (品番RF-0299L-TX)
  2. 赤外線リモコン送信部 (品番IR-0298L-TX)
  3. 無線リモコン送信部プラス4x1キーパッド (品番RF-0299L-TX-RT)
  4. 赤外線リモコン送信部プラス4x1キーパッド (品番IR-0298L-TX_RT )

 4x1キーパッド品番ACC-0324-KEY-4x1-RT回路図

ACC-0324KEY-4x1-TX_D1.png

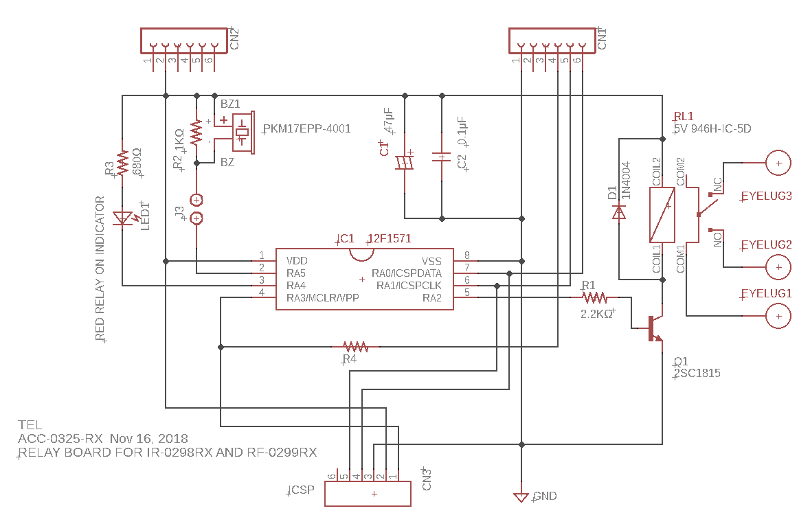
電磁リレードライブ回路モジュール ACC-0325-RX
品番ACC-0325-RX

ACC-0325-RX_D1.png

電磁リレードライブ回路モジュールのプリント基板のサイズ: 縦約44mm 横約50mm
電磁リレードライブ回路モジュールACC-0325-RX
定価 1キット完成品 ¥600(外税)

中級者向きキット

rf_0299_rx_rr.JPG

無線リモコン受信部と電磁リレードライブ回路モジュールを接続したところ。

IR-0298-RX-RR_D2.jpg

赤外線リモコン受信部と電磁リレードライブ回路モジュールを接続したところ。

概要
  本器電磁リレードライブ回路モジュールは、無線リモコン受信部又は赤外線リモコン受信部とコネクターでつないで使います。主な使用部品は8ビットマイコンPIC12F1571、1A電磁リレー、圧電ブザーです。
  各受信部の出力から本器に入力されたコードをマイコンが読み取り、リレーを励起(ドライブ)し、LEDが点灯し、圧電ブザーを鳴らします。圧電ブザーが必要ないときには、ジャンパー(J3)を外します。
  通常本器は無線リモコン受信部又は赤外線リモコン受信部と一体で使用しますので、電源は受信部から供給されます。本器をほかの目的で使用される場合は、右図の回路のコネクターから別途電源を供給してください。コネクターCN1の1番がグランド(マイナス) CN2の2番が電源5V(プラス)となります。送信側のキーパッドと入力コードの関係を下表に示します。

送信側4x1(4列1行)キーパッドと入力コードの関係
スイッチ番号 CN1の4番ピン CN1の5番ピン CN1の6番ピン
SW1/OFF 0 0 0
SW1/ON 0 0 1
SW2 0 1 0
SW3 0 1 1
SW4 1 0 0


本器が使用されているモジュール

  1. 無線リモコン受信部(品番RF-0299L-RX)
  2. 赤外線リモコン受信部(品番IR-0298-RX)
  3. 無線リモコン受信部プラス4x1電磁リレードライブ回路モジュール (品番RF-0299L-TX-RT)
  4. 赤外線リモコン受信部プラス電磁リレードライブ回路モジュール (品番IR-0298-TX_RT )

   電磁リレードライブ回路モジュールACC-0325-RX回路図

ACC-0325-RX.png